G&G Manufacturing Company
- Home
- Companies
- G&G Manufacturing Company
- Products
- Model Ball Bearing Type - In-Line Shear ...
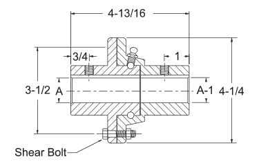
Model Ball Bearing Type -In-Line Shear Clutches
In-Line Shear Clutches are available in round bore sizes up to 1-1/4" square bore sizes up to 1-3/16", hex bore sizes up to 1-3/8" and spline bore sizes up to 1-1/2". Shear bolts can be 1/4", 5/16" or 3/8". When ordering, specify: A & A-1 Bore Sizes and B - Shear Bolt Size.

