- Home
- Companies
- Grande Water Management Systems Inc.
- Products
- Grande Extreme - Model EXT 316 - ...
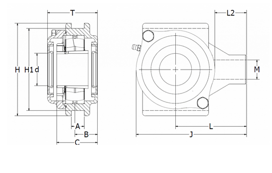
Grande Extreme - Model EXT 316 -Stainless Steel Take-Up Bearing Unit
Take-up bearing units are used where shaft adjustment and belt tensioning are required, such as on food conveyors. A tensioner extends or retracts the conveyor pulley to adjust the tension on the conveyor belt. The EXT take-up bearing unit is made for heavy-duty applications and is ideal for harsh and corrosive environments.
Stainless steel grade 316 (UNS S31600)
The housing is made of stainless steel (grade 316) which is rustproof and resistant to corrosion from seawater. It is also resistant to all cleaning products and chemicals. The rounded corners and smooth surfaces make these units very easy to clean.
Large load capacity
The take-up units are delivered complete with a spherical roller bearing insert that enables the bearing block to carry up to five times more load than conventional bearings. Spherical roller bearings have the advantage that they provide a much larger load capacity than ball bearings and can accommodate axial force.
Many options
Many sealing options are possible. Each possesses different properties depending on the application. We would be pleased to advise you on the best choice of seal.
- Conveyors
- Fans and blowers
- Food processing equipment
- Fishing equipment

Load directions for Extreme Bearings
Take-up stainless steel bearing units are intended for loads acting vertically towards the base plate support. Therefore, if the bearing housing is supported over its entire base, loads are limited only by the load limits of the bearing insert. If loads acting in other directions occur or if the housing is not supported over its entire base area, check that the magnitude of the load is permissible for the bolt assembly attached to the machine frame.

